
Энергоэффективный циркуляционный насос NPO BPS 32-12SM-180 Next
Назначение и область применения
Циркуляционные электронасосы серии BPS SM NEXT с «мокрым» ротором предназначены для стабильной циркуляции теплоносителя в системах отопления, охлаждения и кондиционирования, а также в солнечных системах обогрева. Оптимально подходят для коттеджей, дач, хозяйственных и коммерческих объектов.
Насос разработан с акцентом на снижение энергопотребления и максимальную адаптацию к современным системам отопления с автоматическим регулированием. Наибольшая эффективность достигается при использовании совместно с термостатическими вентилями, трехходовыми клапанами и котлами со встроенной автоматикой.
Ключевые преимущества насосов NPO BPS SM NEXT
- Экономия электроэнергии от 30% до 300% — за счет высокоэффективного двигателя и электронного управления
- Класс энергоэффективности A (EEI ≤ 0,23) — соответствует требованиям Директивы ЕС 2005/32/EC
- Увеличенное время работы от ИБП — в среднем в 2 раза дольше по сравнению с обычными насосами
- 4 режима работы, включая режим ECO для минимального энергопотребления
- Режимы «I, II, III» – режимы постоянной скорости вращения ротора электронасоса.
- Режим «III» – наибольшая скорость вращения ротора электронасоса. Рекомендуется использовать в случаях, когда необходимо обеспечить максимальную отдачу тепла отопительной системой.
- Режим I – минимальная скорость вращения ротора электронасоса. Рекомендуется применять в случаях, когда потребность в тепле минимальна.
- Режим «ECO» – разработан как оптимальный для большинства конструкций отопительных систем. При малых и средних подачах теплоносителя с увеличением подачи пропорционально возрастают напор и потребляемая мощность, выбирая точку с максимальным коэффициентом полезного действия. При подаче превышающих номинальную насос переходит в режим максимальной скорости вращения ротора, обеспечивая систему отопления максимальной скоростью циркуляции теплоносителя. Рекомендуется применять при начальной настройке электронасоса в системе отопления.
- Стабильная работа при напряжении 200 ÷ 264 В, а при 176 ÷ 200 В с допустимыми отклонениями характеристик до 10%. При напряжении в сети 150 В и ниже электронасос останавливается и переходит в режим ожидания. Из режима ожидания электронасос выходит при повышении напряжения в электросети выше 150 В.
- Встроенная защита от перегрузки и система самодиагностики
- Индикация ошибок и функция проверки блокировки ротора
- Низкий уровень шума
- Съемный кабель питания с разборным соединителем
- Гарантия — 60 месяцев
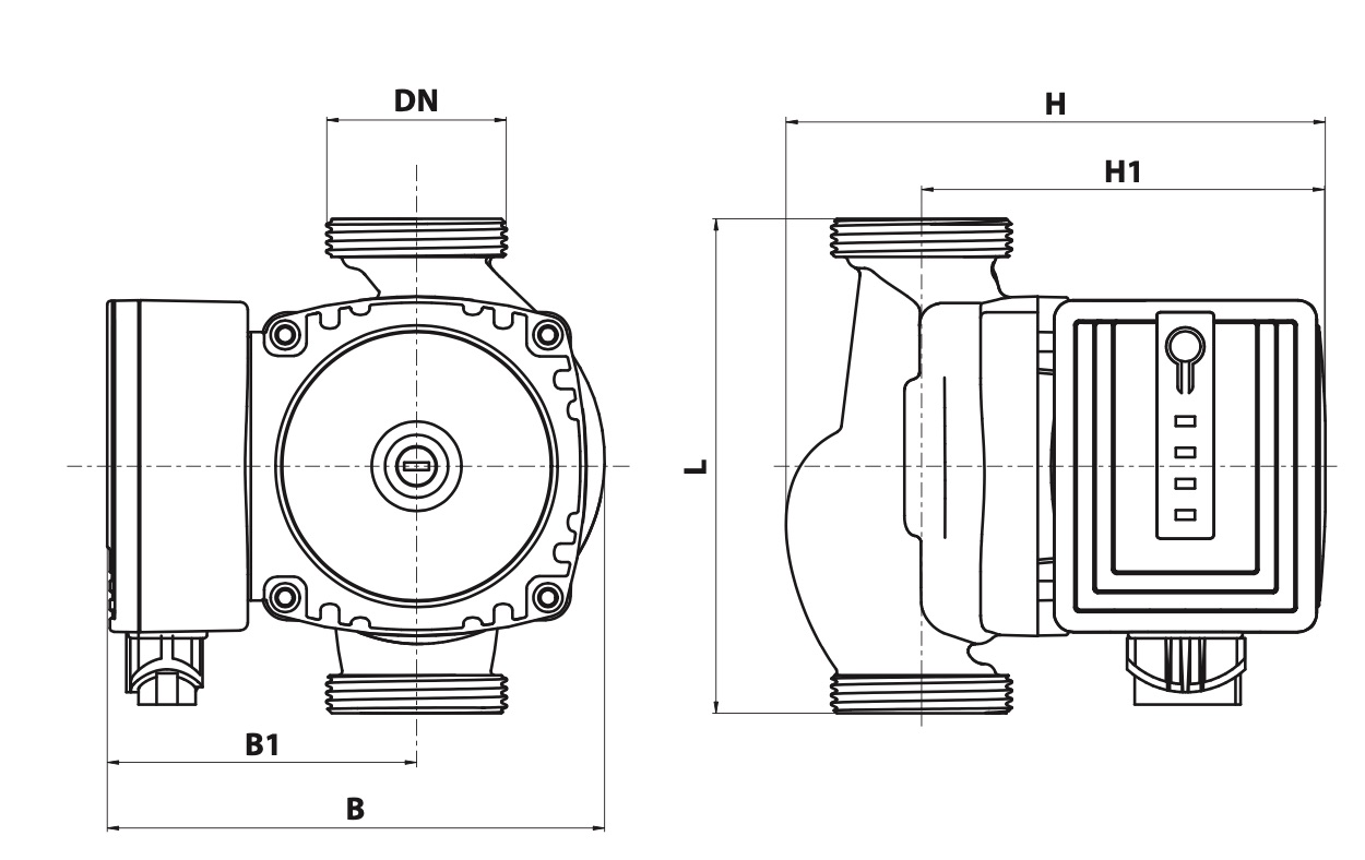
Размеры

| Модель |
Размер, мм |
Вес, кг |
| B |
B1 |
H |
H1 |
L |
DN |
| BPS 32-12SM-180 Next |
130 |
81 |
135 |
96 |
180 |
G2-B
|
3,3 |
Двигатель:
- Бесколлекторный двигатель постоянного тока с «мокрым» ротором
- Электронное управление и охлаждение перекачиваемой жидкостью
- Выбор режима работы кнопкой на коробке выводов
- Однофазное исполнение со встроенной электронной схемой управления
- Степень защиты IP 44
- Класс изоляции H
- Однофазное исполнение с установленным в коробку выводов конденсатором
- Максимальная частота вращения: 2850 об/мин
- Напряжение питания: 200 – 264 В, 50 Гц
- Режим работы: продолжительный
Установка
При установке насоса важно разместить его оси в правильном положении.

Предельные допуски и требования
- рабочая жидкость: чистые невязкие, неагрессивные жидкости, не содержащие твердых частиц или волокон, сходные с водой по плотности и химической активности
- общая жесткость жидкости, не более 700 мкг-экв/кг
- содержание соединений железа, не более 500 мкг/кг
- содержание растворенного кислорода, не более 50 мкг/кг
- содержание нефтепродуктов, не более 1 мг/кг
- значение рН 7,0-9,5
- максимальное содержание гликоля: 50%
- максимальное рабочее давление: 1 МПа (10 бар)
- предельные нижнее и верхнее значения температуры перекачиваемой жидкости от +2°С до +95°С
- максимальная температура окружающей среды: +40°С
- во избежание кавитационного шума давление на всасывании должно быть не менее 1,5 м водяного столба при температуре +90°С
Комплект поставки
В комплекте идет:
- Насос NPO BPS 32-12SM NEXT
- Гайки монтажные – DN32 – 2 шт.
- Уплотнительные кольца – 2 шт
- Сетевой кабель 1,2 м
- Паспорт прибора
| Наименование |
2848NP32 |
| Энергоэффективность / производительность |
| Максимальная подача, куб.м/ч |
6,0 |
| Максимальный гидростатический напор, м |
8,0 – 10,3 – 12 |
| Электрические характеристики |
| Электрические характеристики сети |
200 ÷ 264 V 1N В |
| Мощность подводимая при скорости 1, Вт |
65 |
| Мощность подводимая при скорости 2, Вт |
100 |
| Мощность подводимая при скорости 3, Вт |
120 |
| Конструктивные особенности |
| Диаметр условного прохода, мм |
32 |
| Материал вала двигателя |
Металлокерамика |
| Материал обмотки статора |
Медь |
| Монтажная длина, мм |
180 |
| Диаметр соединительных патрубков, дюйм |
DN32 (G2-B) |
| Количество скоростей |
3 |
| Материал рабочего колеса |
Полимер |
| Материал корпуса |
Чугун с внутренним катафорезным покрытием |
| Присоединение |
Резьбовое |
| Вес, кг |
3,3 |
| Комплектация |
| Гайки в комплекте |
Есть, D32 с уплотнительными кольцами - 2 шт. |
| Сетевой кабель в комплекте |
1,2 м |
| Особенности системы |
| Максимальное давление в системе, бар |
PN 10 |
| Максимальная рабочая температура, °С |
+ 95 °C |
| Защита |
| Класс изоляции (IEC 85) |
H |
| Класс защиты IP |
IP 44 (IEC 34-5) |
| Особенности эксплуатации |
| Диапазон температур окружающей среды, °С |
0 ... +40 °C |
| Диапазон температур перекачиваемой среды, °С |
+2 ... + 95 °C |
| Сфера применения |
Отопление, охлаждение |
| Общие характеристики |
| Номинальная скорость вращения, об/мин |
2850 |
| Гарантийные условия |
| Гарантийный срок, мес |
60 |