Пн–Сб: с 08–30 до 18–00
Ігор ІвановичЦена: 4 190 грн
Запутались, надоело выбирать?

Электронасосы циркуляционные серии BPS-G предназначены для перекачки рабочих жидкостей в одно- и двухтрубных системах отопления открытого и закрытого типа, в системах отопления типа "теплый пол", в том числе использующих энергию солнца, в тепловых насосах, в системах кондиционирования воздуха при стабильной или слабо меняющейся температуре, а также в системах горячего водоснабжения как насос для рециркуляции.

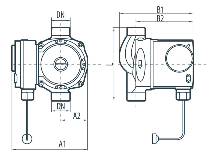
| Модель | Размер, мм | Вес, кг | |||||
| A1 | A2 | B1 | B2 | L | DN | ||
| BPS 20-4G-130/B | 130 | 50 | 130 | 105 | 130 |
G1-B |
2,4 |
При установке насоса важно разместить его оси в правильном положении.

В комплекте идет:
| Наименование | 4154NP82 |
| Функционал | |
| Встроенный терморегулятор | Есть |
| Энергоэффективность / производительность | |
| Максимальная подача, куб.м/ч | 2,0 |
| Максимальный гидростатический напор, м | 5,3 |
| Электрические характеристики | |
| Потребляемая мощность, Вт | 65 |
| Электрические характеристики сети | 230 V 1N В |
| Конструктивные особенности | |
| Диаметр условного прохода, мм | 20 |
| Материал вала двигателя | Металлокерамика |
| Материал обмотки статора | Медь |
| Монтажная длина, мм | 130 |
| Диаметр соединительных патрубков, дюйм | DN20 (G1-B) |
| Количество скоростей | 1 |
| Материал рабочего колеса | Полимер |
| Материал корпуса | Алюминий |
| Присоединение | Резьбовое |
| Вес, кг | 2,4 |
| Комплектация | |
| Гайки в комплекте | Есть, D20 с уплотнительными кольцами - 2 шт. |
| Сетевой кабель в комплекте | 1,2 м |
| Особенности системы | |
| Максимальное давление в системе, бар | PN 10 |
| Максимальная рабочая температура, °С | + 110 °C |
| Защита | |
| Класс изоляции (IEC 85) | H |
| Класс защиты IP | IP 44 (IEC 34-5) |
| Особенности эксплуатации | |
| Диапазон температур окружающей среды, °С | 0 ... +40 °C |
| Диапазон температур перекачиваемой среды, °С | +2 ... + 110 °C |
| Сфера применения | Отопление, охлаждение, гелиосистемы, ГВС (в т.ч. рециркуляция) |
| Общие характеристики | |
| Номинальная скорость вращения, об/мин | 2850 |
| Гарантийные условия | |
| Гарантийный срок, мес | 36 |

Устанавливаем теплотехническое оборудование в Днепре и области
«Экосистем Инжиниринг» является официальной монтажной организацией, специалисты которой имеют необходимые допуски, соответствующее оборудование и квалификацию.
Правильный монтаж с гарантией 12 месяцев.
Цена: 4 190 грн