Пн–Сб: с 08–30 до 18–00
Ігор ІвановичЦена: 2 584 грн
Запутались, надоело выбирать?

Циркуляционный насос повышение давления Optima PTS15-11 – используется для повышения давления в системах водоснабжения индивидуального типа.
Допускается перекачка только чистой воды без химических и механических примесей.
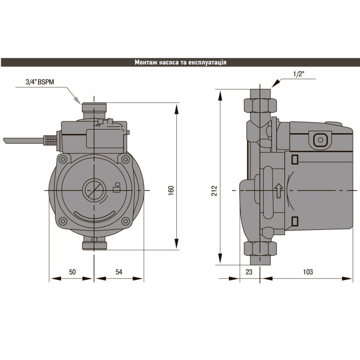
Небольшие габариты и вес, конструктивное исполнение с патрубками в линию позволяют производить монтаж насоса непосредственно на трубопроводе.
Насосы, повышающие давление, работают практически бесшумно, поэтому их можно устанавливать в любом месте дома или квартиры.
Выполнение с «мокрым ротором», то есть ротор и подшипники двигателя во время работы омываются и смазываются перекачиваемой жидкостью. Насос имеет возможность выбора двух режимов: автоматический режим – насос включается автоматически при начале потребления воды и выключается при прекращении потребления воды. Ручной режим – насос постоянно включен.
| Тип | Диаметры патрубков |
Монтажная длина, мм |
Скорость | Мощность, Вт | Продуктивность | |||||||
| насоса | переходника | куб.м | 0 | 0,8 | 1,2 | 1,6 | 2,0 | 2,4 | ||||
| PTS15-11 |
G¾-B |
G½ |
212 | 1 | 120 | Напор,м |
11 |
8,8 | 7,4 | 5,8 | 4,0 | 2,1 |
При установке насоса важно разместить его оси в правильном положении.

| Наименование | 8637 |
| Энергоэффективность / производительность | |
| Максимальный гидростатический напор, м | 11,0 |
| Максимальная подача, куб.м/ч | 2,4 |
| Электрические характеристики | |
| Электрические характеристики сети | 230 V 1N В |
| Мощность подводимая при скорости 1, Вт | 120 |
| Конструктивные особенности | |
| Диаметр условного прохода, мм | 15 |
| Материал вала двигателя | Нержавеющая сталь |
| Монтажная длина, мм | 212 |
| Диаметр соединительных патрубков, дюйм | - насос - G¾-B; - переходник - G½ |
| Количество скоростей | 1 |
| Материал рабочего колеса | Полимер |
| Материал корпуса | Чугун |
| Присоединение | Резьбовое |
| Вес, кг | 2,6 / 3,0 |
| Особенности системы | |
| Максимальное давление в системе, бар | PN 10 |
| Максимальная рабочая температура, °С | + 60 °C |
| Защита | |
| Класс изоляции (IEC 85) | H (до 180°С) |
| Класс защиты IP | IP 44 |
| Особенности эксплуатации | |
| Диапазон температур окружающей среды, °С | +5 ... +40 °C |
| Диапазон температур перекачиваемой среды, °С | +4 ... + 60 °C |
| Сфера применения | Повышение давления |
| Общие характеристики | |
| Номинальная скорость вращения, об/мин | 2850 |
| Гарантийные условия | |
| Гарантийный срок, мес | 24 |
| Прочие характеристики | |
| Страна бренда | Польша |
| Страна производитель | Польша |

Устанавливаем теплотехническое оборудование в Днепре и области
«Экосистем Инжиниринг» является официальной монтажной организацией, специалисты которой имеют необходимые допуски, соответствующее оборудование и квалификацию.
Правильный монтаж с гарантией 12 месяцев.
Цена: 2 584 грн